天津遠東W雙螺桿泵W5kse-87用于107膠輸送泵發往天津紅橋
天津遠東W雙螺桿泵W5kse-87用于107膠輸送泵發往天津紅橋
天津遠東3臺W雙螺桿泵W5kse-87作為107膠輸送泵發往希格茨曼電子儀表有限公司,產品型號:W5kse-87,流量24m3/h,壓力0.6Mpa,轉速950r/min,數量3臺。
產品型號:W5kse-87,流量24m3/h,壓力0.6Mpa,轉速950r/min,數量3臺。輸送介質為107膠。經過試驗,均達到客戶所需標準。
技術參數:
流量≤450m3/h;
工作壓力≤2.0MPa;
轉速≤1450rpm;
使用溫度≤120℃①;
粘度≤100000mm2/s;
吸上高度≤8.5m WC;
殼體壓力2.4MPa;
轉向從軸頭看呈順時針轉向②;
①為清洗用介質,如蒸汽<180℃。
②若用逆時針轉向,需降低部分性能要求,訂貨時請注明具體要求。

W雙螺桿泵W5kse-87
特點:
1、清洗快速、方便;
2、可平穩、無剪切輸送液體;
3、有很強的自吸能力,且能汽液混輸;
4、工作元件間無接觸,可夾帶一定量的細小顆粒(如高嶺土等);
5、允許短期干運轉(≤2min);
6、介質粘度可達100000mm2/s;
7、改變轉速來調節流量,輸出壓力保持穩定;
8、具有同步齒輪,軸承外置;
9、各種驅動方式均可使用;
10、可選擇不同的進出口聯接方式(法蘭或圓弧螺紋聯接);
11、拆裝方便,維修簡單;
12、高效節能;
應用范圍:
此系列泵可用于以下行業:
○化工業:各種酸、堿、鹽液、樹脂、甘油、石蠟、重渣油、汽油和其它化工原料。
○油漆業:油墨、各種油漆、顏料、涂料等。
○飲料食品業:酒精、酒類、蜂蜜、糖漿、牙膏、牛奶、奶油、醬油、植物油、動物油、巧克力、八寶粥等。
○制藥業:各種制劑、葡萄糖液、以及各種注射液等。

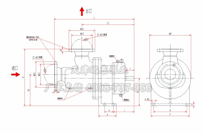
Wkse雙螺桿泵結構圖
希格茨曼電子儀表有限公司介紹:
希格茨曼電子儀表有限公司系外商投資建立的外資企業,在天津市紅橋區登記注冊,是具有現代高新科技水平,集科、工、貿為一體的綜合經濟實體。
公司實行總經理負責制度,充分發揮生產、技術、財務等部門的職能,形成完善的運營機構。
公司是美商在華獨立投資企業之一, 并在世界各地設有辦事處,具有一定的經濟實力,完全按照國際標準及結算方式進行操作。在貿易往來、資金流動等諸多方面均有很高的支持水平。
公司配備了先進的設備,整套嚴格的作業標準,科學的測試方法及精確的計量體系。 無論是在經營銷售前后,我們都將以熱情的工作態度為您提供高效的服務,用戶的滿意程度就是我們工作效果的評估準則,用戶的信賴就是我質量們保證的最佳業績。
公司聚集眾多人才,并注重發揮員工的能力,企業擁有一批高級工程師、技術人員、管理人員,同全國各大科研機構、高等學府經常性的學術交流、探討,并與河北工業大學電器研究所橫向聯合,優化知識結構,提高了設計、開發能力,是實現高新技術、卓越品質及可靠信譽的根基。
感謝客戶選定并認可天津遠東泵業Wkse雙螺桿泵,我們將繼續為您提供更優質的產品,希望下次繼續與我公司合作。我們的免費售后服務熱線:4008-737-966
同類文章排行
- 三螺桿泵在潤滑脂行業的應用
- NYP高粘度泵如何安裝和調試雙端面機械密封
- 稠油輸送泵RCB-30/0.6齒輪泵
- NYP-110高粘度泵膠水輸送泵高粘度轉子泵
- 導熱油輸送泵SNH80R54E6.7W21三螺桿泵
- 礦物油輸送泵SNH1300R46U12.1W21三螺桿泵
- 柴油泵3GR110X4W21三螺桿泵
- 瀝青輸送泵RCB-4/0.6-Y90L-4齒輪泵
- GCN40-1V-W101單螺桿泵船用背包式螺桿泵
- W6.4Z30M1Z1W73雙螺桿泵船用雙螺桿泵
最新資訊文章
您的瀏覽歷史





