
三螺桿泵裝卸時,應將吊鉤鉤在包裝箱上所標明的位置上。
泵/機組由合格的人員小心運送,避免猛烈撞擊。
運輸過程中保持泵/機組方向并注意包裝指示。
運輸和儲存過程中泵進、出口應被封閉。
包裝材料必須按當地規定處理。
起吊設備(如叉車、起重機、吊具、滑輪、吊繩等)必須保證其強度且由有資格的人員操作。
泵或泵機組的重量件數據表。
泵或泵機組起吊時必須牢固,如泵體、法蘭或底座。

1. 安裝要求
1.1 建議泵的安裝位置,盡可能地靠近該泵抽送介質的供液源。泵房應該明亮寬敞、干凈、干燥,以便進行日常維護,并有足夠的空間進行安裝 維護與保養。
1.2 泵機組對安裝基礎要求平整;
1.3 地腳螺栓與基礎混凝土采用一次性澆灌法;
1.4. 泵機組安裝好后,應嚴格檢查聯軸器同軸度公差,控制在0.08mm范圍內,半聯軸器端面間隙是否控制在規定范圍內;
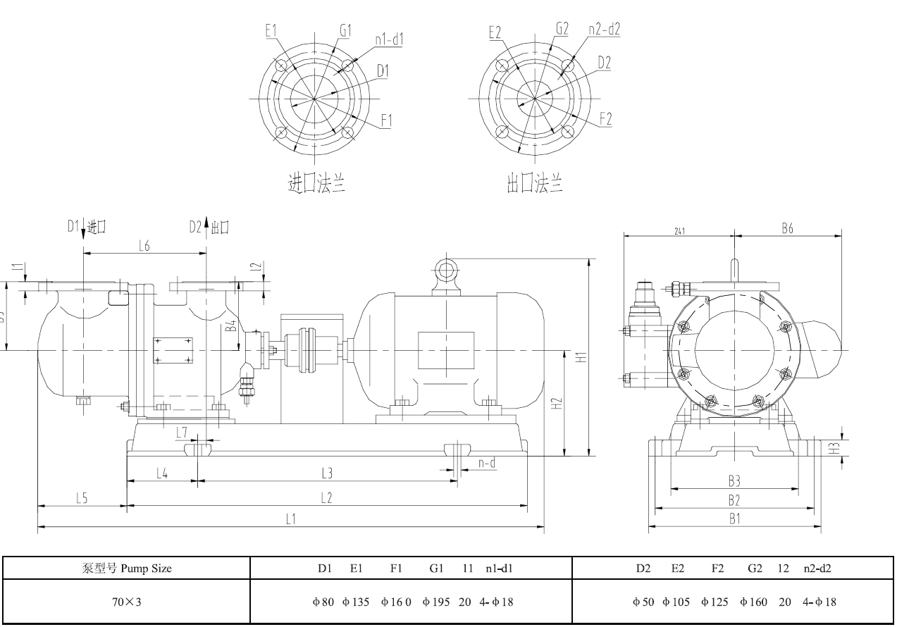
1.5 泵的吸入管,排出管口徑及法蘭面聯接應與泵的進口相匹配,管路在滿足配管要求前提下力求簡單,以減少沿程損失;
1.6 泵的吸入高度,吸程應保證泵在工作時所需汽蝕余量為準;
1.7 泵不允許承受管路載荷;
1.8 泵吸入管路應裝備過濾器,過濾器的濾網規格應根據輸送不同介質的情況選用,濾網規格一般為10-60目,網格的有效過流面積應大于泵吸 口面積10-30倍;
1.9 安裝前應對吸入、排出管清理干凈,嚴禁帶入焊渣、鐵銹等雜物,以免進入泵后螺桿咬死;
1.10 管路作耐壓試驗和沖洗或吹掃時,應嚴格防止對泵及附件的損壞;
1.11 泵進出口配裝相應真空表、壓力表,以便觀察工作狀態,在泵出口應安裝截止閥和單向閥;
1.12 機組安裝調試,經2小時連續運轉無異常現象后視作安裝合格。
2、使用方法
為了保證泵的安全運轉,第一次啟動前的最終檢查是非常必要的,下面所列設備交付正常運轉所必須檢查的幾項內容;
2.1 檢查所有管道:管道是否都有獨立與泵的單獨支撐,并保證對泵不施加額外的力,管道以及其它附件的結合處是否有泄漏,所有管道是否都已沖洗干凈。閥門以及控制儀器是否都起作用,過濾器的網目是否符合要求;
2.2 泵腔內是否已注入足夠的被輸送的介質;
2.3 當泵軸承為外置時,應檢查齒輪箱內的油位是否達到規定的位置,過量的齒輪油會引起齒輪油的過熱;
2.4 檢查進出口壓力表以及其它儀表是否工作正常;
2.5 檢查所有管道、電纜、控制線以及附屬設備;檢查泵軸的轉動:用手轉動聯軸器,檢查泵軸聯軸器與電機軸是否均勻地轉動,如果有任何的 磨擦與咬合,則不應交付使用,應該查出故障原因并排除;
2.6 檢查泵的轉動方向:點動電動機,檢查泵軸的轉動方向是否與泵上的轉向牌的方向一致;
2.7 打開管路所有閥門,保證整個輸送管道暢通;
2.8 帶冷卻結構的,開機前應先沖冷卻液,保證排水口有較大的冷卻液流出;
2.9 啟動電機檢查裝置是否有異常噪聲與震動。任何異常的震動和聲音的改變必須尋清原因,并加以排除;
2.10 如需停泵應先斷開電機電源再停泵,然后關閉進、出口管道上閘閥。
3、維護事項
3.1 泵驅動器若出現異常聲音應立即停機,查找原因;
3.2 出口壓力應在工作壓力范圍內,否則應查找原因;
3.3 若我廠提供了安全閥,則安全閥在出廠前已調試好,不應隨意調整;
3.4 注意泵溫的升降,以防止發生螺桿咬死,或軸功率不足現象;
3.5 軸封處漏油量大于10mL/h,應停機檢查;
3.6 先停泵后關閉閥門;
3.7 根據所輸送介質粘度的不同,泵的輸出壓力有所不同;
3.7.1 輸送3oE的介質,應降壓使用;
3.7.2 輸送3-100oE的介質,允許泵在最高壓力下使用;
3.7.3 輸送100oE以上的介質,應調整轉速或控制油溫下降;
4、潤滑
4.1 三螺桿泵軸承為內置時,其軸承和齒輪都是通過被輸送介質本身來潤滑的,無需再加潤滑油或潤滑脂。當軸承為外置時,采用齒輪箱中的齒輪油來潤滑冷卻同步齒輪,同時也用來潤滑軸承座上的圓滾子軸承。建議齒輪箱中的齒輪油應采用參有抗泡劑、抗氧防腐劑以及抗磨極壓劑的高品質的齒輪油。